
マスフローチェッカ MFT-20
概要
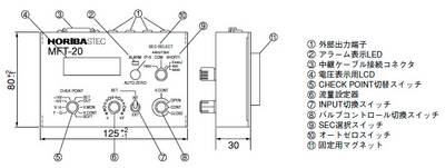
マスフローコントローラに不具合が生じている場合は、その原因追求の為にMFCのシステムを構成しているSEC・電源・表示器・設定器・ケーブル等の異常やSEC自身の不具合原因を発見しなければなりません。MFT-20では、SECを駆動、入出力している電圧をモニタしたり、MFT-20により制御する事でSECが正常であるかをチェックする事ができます。従ってSECを装置配管から取り外す前にすみやかにSECのトラブルや電源等のトラブルが確認できます。また、本体に内蔵しているポテンションメータによりSECを制御する事も可能です。
特長
- 配管を外す事無く簡単にチェックが可能
- 電源不要(既存の信号ケーブルの電源を使用)
- バルブ全開/全閉可能
- オートゼロ機能の使用が可能(オートゼロ機能を装備しているSECのみ)
製造会社: HORIBA STEC





