小型流量コントローラ MF-C Series
概要
MEMS技術を用いた小型流量センサを採用した、コンパクトモデルのマスフローコントローラです。表示・設定機能を搭載した他、マイコン搭載により、多機能化を実現しました。
特長
- 各種流体に対応
適応流体は、空気、窒素、アルゴン、酸素、メタン、プロパン等の各種ガスに対応。さらに、水素、ヘリウムにも対応し、多彩な用途にご利用できます。 - 低差圧モデル標準ラインアップ
バーナーの火力制御等の供給圧力の低い燃焼ガスの流量制御が可能になりました。 - 高信頼の流量制御
独自の整流機構により、流量制御性を左右する再現性の向上を図りました。
- 0.5秒の高速制御
シリコンマイクロ加工技術を応用した白金センサチップの採用で、0.5secの高速制御が可能。
- 制御状態が一目でわかるデジタル表示器搭載
・流量値を3桁でデジタル表示
・エラー表示の他、出力状態 (スイッチ出力ON-OFF)を表示
・本体の上部スイッチにより流体設定が行えます。
- マイコン搭載により多機能化を実現
●エラー表示機能
エラー発生を表示と電気信号でお知らせします。
●ゼロ・スパン調整機能
使い勝手にあわせて入力信号のゼロ・スパン調整が可能。
●プリセット入力機能
任意の流量を4点設定し、外部からの2bit信号入力(PLC等からの信号)で流量制御できます。
●ダイレクトメモリ機能
外部からの入力信号がなくても製品の操作キーで制御流量を自由に調整可能。
●スイッチ出力機能
流量の上限下限設定によるスイッチ出力機能搭載。
(過電流保護内蔵)
●流量積算機能
流量の積算表示(最大6桁)および
●自動遮断機能
エラー発生等の緊急時には、自動的にバルブを遮断。 - 小型・軽量
W70mm × H70mm × D30mmのコンパクトサイズ。
狭いスペースや可動部に設置でき、 設備の小型化・軽量化に貢献します。 - 専用電源不要
電源電圧はDC24V。汎用の単電源で動作します。 - 装置組込みにベストマッチ
配管接続に便利な"ワンタッチ継手"や"Rc1/4"、"1/4インチ2重くい込み継手"を標準でラインアップしています。 - RoHS指令に対応
鉛や六価クロムなどの地球環境に悪影響を及ぼす物質を、使用材料から完全排除しました。
製造会社: HORIBA STEC
仕様
MF-C シリーズ体系
■適応流体・流量制御範囲
■入出力仕様

■空気、窒素、アルゴン、酸素、都市ガス、メタン、プロパン、
炭酸ガス用 MF-Cシリーズ 仕様
■圧力
標準差圧、動作差圧 ※5、6
(標準モデル)

(低差圧モデル)

表示、積算機能(低差圧モデル)

※1:本製品内部の弁は漏れがゼロを必要とするストップ弁としては使用できません。仕様上ある程度の漏れを許容しています。
※2:20℃ 1気圧(101kPa)での体積流量に換算。又、フルスケールとは流量レンジの最大流量を指します。
※3:塩素、硫黄、酸等の腐食成分を含まない乾燥気体で、かつダストおよびオイルミストを含まない清浄気体をご使用ください。圧縮空気をご使用の場合は、JIS B 8392-1:2003 等級1.1.1〜1.6.2の清浄空気をご使用ください。コンプレッサからの圧縮空気には、ドレン(水、酸化オイル、異物等)が含まれます。本製品の機能を維持するために、本製品の一次側(上流)にフィルタ、エアドライヤ(最低圧力露点10°C以下)及びオイルミストフィルタ(最大油分濃度0.1mg/m3)を取付けてご使用ください。
※4:都市ガス13AはLNGから生成されたメタン(CH4)88%ガスに対しての値です。
※5:標準差圧は、本製品校正時の差圧です。(2次側大気開放)
※6:動作差圧は、本製品が正常に動作するために必要な差圧です。流量レンジ、適応流体によって異なりますのでご注意ください。又、動作差圧の最小値は、2次側大気開放においてフルスケール流量を流すのに必要な差圧です。
※7:アナログ出力電圧の出力インピーダンスは約1KΩです。接続負荷のインピーダンスが低い場合、出力値と誤差が大きくなります。接続負荷のインピーダンスでの誤差を確認の上、ご使用ください。
※8:DC24V時、負荷未接続、フルスケール流量時の電流です。負荷の状態によっては消費電流が変わりますのでご注意ください。
※9:本製品の保護回路は特定の誤接続、負荷の短絡に対してのみ効果があり、あらゆる誤接続から保護できるわけではありません。
※10:都市ガスの低圧ライン(1〜2.5kPa)では動作差圧範囲外となります。
※11:積算流量は計算(参考)値です。また、電源を切るとリセットされます。
※12:AIのみ対応しています。
■水素、ヘリウム用 MF-Cシリーズ 仕様
■圧力
標準差圧、動作差圧 ※4、5
表示、積算機能
※1:本製品内部の弁は漏れがゼロを必要とするストップ弁としては使用できません。仕様上ある程度の漏れを許容しています。
※2:20℃ 1気圧(101kPa)での体積流量に換算。又、フルスケールとは流量レンジの最大流量を示します。
※3:塩素、硫黄、酸等の腐食成分を含まない乾燥気体で、かつダストおよびオイルミストを含まない清浄気体をご使用ください。
※4:標準差圧は、本製品校正時の差圧です。(2次側大気開放)
※5:動作差圧は、本製品が正常に動作するために必要な差圧です。流量レンジ、適応流体によって異なりますのでご注意ください。又、動作差圧の最小値は、2次側大気開放において、フルスケール流量を流すのに必要な差圧です。
※6:アナログ出力電圧の出力インピーダンスは約1KΩです。接続負荷のインピーダンスが低い場合、出力値と誤差が大きくなります。接続負荷のインピーダンスでの誤差を確認の上、ご使用ください。
※7:DC24V時、負荷未接続、フルスケール流量時の流量です。負荷の状態によっては、消費電流が変わりますのでご注意ください。
※8:本製品の保護回路は特定の誤接続、負荷の短絡に対してのみ効果があり、あらゆる誤接続から保護できるわけではありません。
※9:積算流量は計算(参考)値です。また、電源を切るとリセットされます。
■空気、窒素、アルゴン、酸素、都市ガス、メタン、プロパン、
炭酸ガス用 型番表示方法
■水素、ヘリウム用 型番表示方法
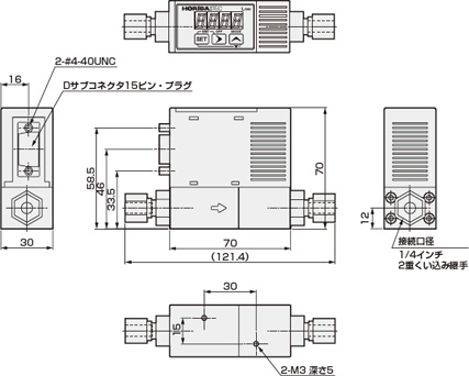
■外形寸法図
ボディ材質:ステンレス、接続口径:ボディ材質:樹脂、接続口径:ワンタッチφ6、φ8
ボディ材質:ステンレス、接続口径:Rc1/4
接続口径:1/4インチ 2重くい込み継手
専用ブラケット(床面据付タイプ)
単品型番:MF-C-B
ケーブルオプション外形寸法図
●アナログ入力タイプ用9芯ケーブル
オプション単品型番:MF-C-1M、3M
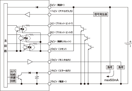
■配線方法
内部回路および負荷接続例
■MF-C 本体コネクタ
コネクタ:Dsub15ピンミニ(オス)
■コネクタピン配置(製品本体側)
[アナログ入力タイプ]
アナログ入力タイプには、(4)、(6)、(7)、(8)、(9)、(12)はピンがありません。
測定原理
流量の計測原理
MF-Cシリーズでは、シリコンマイクロ加工技術を応用した、白金センサチップFLOW(3mm×3.5mm)を採用しております。センサ部は、シリコン基板から熱的に絶縁されており、熱容量が極めて小さいため、高速応答で高感度です。
センサ部には、2つの温度センサがヒータを挟んで配置されています。温度センサの材質には、温度によって抵抗値が変化する、白金を用いています。ヒータに通電加熱すると、流れの無い場合は、温度分布がヒータを中心に対称となります。流れを受けた場合は、温度分布の対称性が崩れ、ヒータ上流側の温度は低下し、ヒータ下流側の温度は上昇します。この温度差は、温度センサの抵抗値の差となって現れ、流量によって変化します。また、逆方向に流れた場合は、温度差(抵抗値の差)が逆転します。この方式を用いると、双方向の流量を検知することができます。また、この方式は比較的小流量の検出に適しています。










