
プロセスガス計測機器
防爆形プロセス用赤外線ガス分析計 TIA-51d/p
概要
防爆形プロセス用赤外線ガス分析計TIA-51d/pは、試料ガス中の測定対象となるガスの濃度変化を、非分散形赤外線吸収方式(NDIR)により連続測定する分析計です。電気機械器具防爆構造規格第5条の国際規格(IEC規格)に基づき、型式検定に合格しています。干渉補正形検出器の搭載により、共存ガスによる干渉影響を受けにくく、低濃度レンジにおける高精度な測定が可能です。
特長
- 水素防爆対応
従来機種(31シリーズ)の信頼性と安定性を継承し、「IIB+H2」に対応する等級へグレードアップしました。 - 自己診断機能・管理機能の搭載
より安定したガス分析を実現するために、新たな機能として、異常を知らせる自己診断機能と、管理機能を付加しました。
校正係数の履歴や、自動校正機能(オプション)など、日常の管理業務を安全・確実にサポートします。 - 視認性の向上
機器状態がひと目でわかる、視認性の高いデザインです。稼動状態(測定中・警報表示など)も常にLEDで明示され、状況確認が簡単です。 - 従来機種(31シリーズ)との互換性を確保
従来シリーズのリプレースニーズを支えるために、取付穴位置や本体サイズなど、物理的な互換性に配慮しています。 - 干渉影響を大幅に低減
試料ガス中に干渉ガスが共存する場合でも、干渉補正形検出器を測定用検出器と同一光学系に並べて配置することで、干渉影響や外乱影響などを軽減し、高精度な測定が可能です。 - 低濃度検出
最小 0-20ppmでの測定が可能です(測定成分による)。
製造会社: HORIBA
仕様
形式 | TIA-51d | TIA-51p | ||
|---|---|---|---|---|
防爆構造 | 耐圧防爆構造 | 内圧防爆構造 | ||
測定原理 | 非分散形赤外線吸収方式 | |||
測定成分 | CO、CO2、CH4など | |||
測定レンジ | 最小レンジ | 0~50 ppm(成分による) | ||
最大レンジ | 0~2000 ppm(成分による) | |||
オプションレンジ | 0-20~50 ppm 未満(成分による) | |||
性能 | 繰返し性 | 標準レンジ | ゼロ:フルスケールの±0.5% | |
オプションレンジ | ゼロ:フルスケールの±1.0% | |||
直線性 | フルスケールの±1.0% | |||
ドリフト※2 | ゼロ:フルスケールの±2.0%/ 週 | |||
応答時間 | 分析計入口より90%応答 20 秒以内(オプションレンジ:40 秒以内) | |||
試料ガス | 組成 | 耐圧防爆構造 | ・酸素濃度 21% 以下、ダスト 無し、ミスト 無し | |
内圧防爆構造 | ・酸素濃度 21% 以下、ダスト 無し、ミスト 無し | |||
圧力 | 1.98 kPa 以上 | |||
流量 | 500 mL/min | |||
温度 | 周囲温度 | |||
排出点 | 大気放出 | |||
接ガス部材質 | SUS304、SUS316、FKM、CaF2、Au など | |||
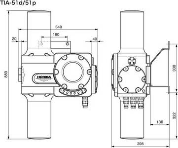
外形寸法 | 540(W)×395(D)×880(H) mm(取付板含む) | |||
質量 | 約60 kg | |||
表示 | LED デジタル濃度表示、状態表示 | |||
校正方式 | 標準:手動校正 オプション:自動校正 | |||
アナログ出力※3 | 出力内容 | 濃度出力 1 ch | ||
出力仕様 | 絶縁出力 DC 4~20 mA( DC 0~16 mA/0~20 mA、DC 0~1 V/0~5 V/1~5 V/0~10 V はオプション仕様) | |||
アナログ値警報 | 出力電流/ 電圧のスパン幅の-10% から+110% の範囲で任意設定可能 | |||
接点出力(オプション)※3 | 出力内容 | 分析計警報/ 分析計注意/ 校正・保守中/ 測定レンジ | ||
出力仕様 | DC30 V/0.1 A(抵抗負荷)、ドライ接点、COM 共通、動作時接点閉 | |||
接点入力 (オプション)※3 | 入力内容 | 測定レンジ切換/ 自動校正シーケンス開始 | ||
入力仕様 | 開放時電圧:DC24 V | |||
通信(オプション)※3 | インターフェース | RS-485 | ||
プロトコル | Modbus®RTU※5 | |||
通信速度 | 19200/9600/4800/2400/1200 bps から選択 | |||
設置環境 | 設置場所 | 屋内設置 | ||
周囲温度 | -5~40℃ (直射日光、輻射熱のないこと) | |||
相対湿度 | 90% 以下 | |||
振動 | ポンプやファン付近など振動が大きなところは避けて設置して下さい(100 Hz、0.3 m/s2 以下) | |||
粉塵 | 環境基準以下 | |||
ユーティリティー | 電源電圧 | 定格 AC100~120 V±10%、またはAC200~240 V±10%(但し最大AC250 V) | ||
電源周波数 | 定格 50/60 Hz 共通 ±5% | |||
消費電力 | 電源投入時290 VA、定常時約120~140 VA(電源電圧により異なります) | |||
内圧防爆用保護ガス※4 | 組成:窒素 | |||
※1 その他の測定成分ついてはご相談ください。
※2 大気圧が一定で、周囲温度変化が±5℃のこと。
※3 シールドケーブルが必要です。
※4 内圧防爆構造の時に必要となります。
※5 ModbusはSchneider Automation Inc. の登録商標です。
[HORIBAグループ全社休業のお知らせ]
誠に勝手ながら、2022年11月3日(木・祝)~11月6日(日)はHORIBAグループの全社休業日となります。この間にいただいたお問い合わせにつきましては、11月7日(月)より順次対応いたします。ご不便をお掛けしますが、ご理解、ご了承いただけますようお願いいたします。






