
粒子計測
レーザ回折/散乱法による粒子径計測の演算精度向上に関する研究
レーザ回折/散乱法における粒子径分布計測の高精度化に向けて
レーザ回折/散乱法は、測定範囲の広さ、操作性の簡便さや再現性の高さなどの特徴から最も広く使用されている粒子径計測装置の1つです。本方式は、粒子群の散乱光強度角度分布から逆演算手法を用いて粒子径分布を間接的に計算で求める原理のため、光学モデルや演算アルゴリズムが異なると測定結果も影響を受けます。そのため、装置構成の違いが測定精度に与える影響は、ほとんど研究されていませんでした。本研究は、より高精度の装置を開発するために、レーザ回折/散乱法の装置構成や逆演算手法が粒子径分布演算に与える要因とその影響を定量的に明らかにすることを目的として研究に着手しました。
レーザ回折/散乱式粒子径分布計測に関する既往の研究と課題
レーザ回折/散乱法は、Shifrinら[1]が1972年に散乱光強度の角度分布から粒子径分布の可能性を示したのが最初です。1974年には市販の装置が使用され始めました。当時のデータ処理技術では、ミー散乱を短時間で精度良く計算することが困難であったため、計算が容易なフラウンホーファ回折を近似として用いて演算処理時間の短縮を行っていました。ミー散乱による演算が普及しはじめたのは、サブミクロン領域がレーザ回折/散乱法で測定するようになった1980年代後半からです。また、1980年前
半までの市販レーザ回折/散乱装置は、数µmから数百µmの粒子径分布測定範囲を複数の集光レンズで切り替えて測定していました。しかし、1988年、世界に先駆けて株式会社 堀場製作所が、測定範囲を0.1µmまで拡大した単一測定レンジの装置が販売されてから、単一測定レンジで1µm以下の粒子径も測定できる装置が主流となり、多くの製造業者からそれぞれ特徴を有した装置が市販されています[2]。広い粒径分布の計測を行うために、光源波長、検出器レイアウトや検出器数が異なる各種光学系と粒子径演算法が開発されています。しかし、光学系や解析法が異なると算出される平均粒径値や標準偏差が一致しない場合があることは既知[3]であり、本原理最大の課題です。この課題を解決するために、光学系と演算法の定量的解析が本原理の高精度化への鍵であると考えます。
レーザ回折/散乱法の原理
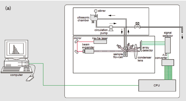
レーザ回折/散乱法測定装置構成の概略をFigure 1(a)に示します。多くの装置は、検出部と試料前処理部から構成されています。光学系の詳細図をFigure 1(b)に示します。小角散乱光を測定するアレイ検出器を有するフーリエ変換光学部と広角散乱光を測定する光学部から構成されています。レーザ回折/散乱法の検出器は、粒子径に対して検出感度に広がりを持ちます。このような検出感度の広がりは、感度交差と呼ばれています。こうした感度交差をもった測定法による観測値群から元の物理量の分布を推定する方法は、逆問題と呼ばれています。レーザ回折/散乱法の場合、散乱光強度角度分布値g(x)と粒子径分布f(y)との
関係は、
g(x)=∫K(x,y)f(y)dy ………………………………(1)
の積分方程式で表すことができます。ここでxは検出器の散乱強度、yは粒子径で、K(x,y)は核関数とよばれる粒子の散乱強度分布と粒子径との関数です。ミー散乱の場合、核関数は散乱光波長と屈折率の関数でもあります。測定値g*(x)は通常真の値g(x)に誤差εを含み
g(x)=g(x)+ε* ………………………………………(2)
で表されます。式(1)は、核関数と粒子径分布とで線形性がないため、解の一意性や観測データg(x)に対するf(y)の
連続性が一般に成立しません。さらに測定結果に誤差が含まれているため、解はさらに不安定になります。そのため、解の安定化をはかる各種方法が提案されています[2,4]。レーザ回折/散乱法の詳しい原理については、引用文献[2,5]を参照ください。

- Figure 1(a) Schematic block diagram of instrument for the laser diffraction method.

- Figure1(b) Schematics of a Fourier optics used in laser diffraction method and array detector.
本研究の目的
近年の半導体加工技術向上によりレーザ回折/散乱法の検出器数は、20年で10倍以上増加し、より多くの検出器を用いて粒子からの散乱光強度角度分布が測定できるようになりました。しかし、本原理は、散乱光強度分布から逆演算で粒子径分布を求めているため、検出器数の増加にともなう散乱光強度情報の増加が逆演算の解になります。粒子径分布の精度に線形で反映しないのは自明です。しかし、測定光学系の多様さと粒子径逆演算の複雑さから、光学モデルの変化が粒子径分布精度に与える影響の体系的な研究はほとんど行われていません。本研究では、レーザ回折/散乱法において、光学モデルが粒子径分布の測定精度に与える影響を定量的に評価することを目的とし、特に以下の問題点に注目しました。
- 各アルゴリズムの違いによる粒子径分布逆演算の精度変化については、定量的な解析が行われていない。
- 異なる光学モデルや逆演算アルゴリズムの測定結果を比較しても、どの要因が粒子径分布精度に影響を与えているかどうか分離できない。
- 精度が保証された粒子径分布が既知の試料は限られているため、実験手法では,幅広く検証を行うことができない。そのため、実試料測定だけでは粒子径精度の一般性が検討できない。
- 実際に測定されている試料は、単峰性だけでなく二峰性の粒子径分布を有するものも多いが、二峰性の粒子径分布における粒子径分布の精度がほとんど検討されていない。
- ガウス分布の粒子径分布は(両)端は無限になるが、実試料の粒子径分布の(両)端は切り取らとられた分布になる。こうした分布に対する確からしさの範囲が明確でない。
こうした粒子径演算に影響を及ぼす要因をコンピュータシミュレーションで検討し、実験手法でシミュレーション結果の検証を行いました。
主な研究成果
レーザ回折/散乱法における非線形反復アルゴリズムの特性評価[6,7]
レーザ回折/散乱法における逆演算の評価法として、粒子径分布を仮定し、その分布から仮想散乱光強度パターンを作成したものを入力信号とし、入力信号から逆演算アルゴリズムを用いて粒子径分布を求め、仮定した分布との一致度を確認するシミュレーションで検討を行いました。(Figure 2)。逆演算アルゴリズムは、構造が単純で精度が高いTwomeyのアルゴリズムを改良した非線形反復法を用いました。シミュレーション結果は,精度が保障された単分散ポリスチレンラテックス(PSL)ならびに一般的な多分散試料であるアルミナを用いた実験的手法を用いて検証しました。また、非線形反復法の有用性を検討するために、一般的な手法である拘束法との比較を行いました。一般的な拘束法と比較して、本研究で用いた非線形反復法は分布幅が狭い粒子径分布でも信頼できる結果が得られることが判明しました。広がりをもつ粒子径分布の場合、非線形反復法は拘束法と同様に信頼できる粒子径演算結果が得られました(Figure 3)。実測定のモデルとして、散乱光信号にノイズを重畳させたシミュレーションの結果、非線形反復法は、拘束法より信号ノイズの影響を受けにくいことが判明しました。これらの結果から、レーザ回折/散乱法において非線形反復法は、拘束法と比較して代表粒子径のみならず分布の標準偏差値でも同等か、より高い精度が得られました。

- Figure 2 Schematic of the computer simulation process.






レーザ回折/散乱法の光学系検出器数が粒子径分布の演算結果に及ぼす影響[8,9]
光学モデルと逆演算アルゴリズムを固定した条件で、検出器数だけを変化させることにより、検出器数変化以外の要因を粒子径分布演算からとり除き、検出器数が粒子径分布に及ぼす影響をコンピュータシミュレーションと実試料測定とで比較検討しました。実試料には、精度が保障された0.199μmから398μmまで12種類の単分散PSL試料と対数正規分布をもつガラスビーズ試料とを用いました。シミュレーションの結果、検出器数の変化による検出器数が粒子径分布演算に与える影響は、対数的に変化することが判明しました。
また、単峰性粒子径分布では、標準偏差値が増加するとより少ない検出器数で同等の精度が得られることが判明しました(Figure 4)。単分散や多分散試料の測定でもシミュレーション結果とほぼ同等の結果が得られました。同じ平均粒子径でも単分散と多分散の分布とでは、散乱光強度の角度分布絶対値が異なることから、物理的な検出器数ではなく一定の散乱光強度値を観察する検出器(有効検出器)数が粒子径分布演算に影響を与えることが判明しました。そのため、同一検出器数の光学系でも粒子径分布の標
準偏差値が異なると粒子径分布への検出器数影響が異なると考えられます。さらに、滑らかな核関数値を示すフラウンホーファ回折近似領域の粒子径(直径約50μm以上)では、それ以下の粒子径より粒子径分布演算結果の誤差値が低い値を示すことから、絶対粒子径が粒子径分布測定精度に影響を与えていることが判明しました(Figure 5)。
二峰性分布の場合、単分散粒子径で構成された粒子径分布のほうが多分散粒子径で構成された粒子径分布より、より少ない検出器数で同じ測定精度が得られる傾向があることが判明しました。また、それぞれの粒子径分布の標準偏差値が低い分布がより少ない検出器で同じ測定精度になる傾向があることが判明しました。以上の結果から、検出器数が増加すると検出器素子数の影響が急速に減少することを粒子径分布の平均径の数値から見出しました。また、レーザ回折/散乱法では、検出器素子数だけでなく核関数値の滑らかさや粒子径分布の広がり、一定値以上の信号を検出する有効検出器数が粒子径演算の結果に影響を与え、測定精度が変化することを示しました。




対数正規分布の(両)端が切り取られた分布の誤差範囲[10]
最大もしくは最小粒子径が既知の対数正規分布をもつ粒子径分布の不確からしさの範囲について、新しい理論式と最大もしくは最小粒子径が既知の粒子径でのコンピュータシミュレーションとシリカ粒子の計測から理論式の評価を行いました。その結果、最大あるいは最小の粒子径が既知の場合、不確からしさの範囲は完全な対数正規分布より減少する可能性があることが判明しました。0.1μmから1μmの最大あるいは最小の粒子径が既知の正規対数分布をコンピュータシミュレーションで発生させた結果、求めた理論式と同じ傾向を示した。対数正規分布を持つシリカ粒子を用いて,株式会社 堀場製作所製レーザ回折/散乱法粒子径分布測定装置LA-950型を用いたレーザ回折/散乱法の測定結果と顕微鏡法の結果、比較した結果とが理論誤差範囲内でよく一致することを示しました(Figure 6)。

- Figure 6 Measured particle size distribution of silica glasses beads with uncertainty region(solid lines). Open circles show count base distribution measured by TEM images. Filled circles show volume base distribution calculated from count base distribution. Open squares show PSD of the silica particles measured by laser diffraction method.
おわりに
本研究で得られた検証結果は、レーザ回折/散乱法の光学モデルや演算アルゴリズムのさらなる高精度化や粒子径分布標準試料の作成に適用できるため、測定差の影響が十分小さい絶対粒子径測定のレーザ回折/散乱法の装置の開発が期待されます。
謝辞
本研究に際し、終始懇切丁寧なご指導を賜りました広島大学大学院工学研究科教授吉田英人先生に深く感謝申し上げます。
当アプリケーションノートPDF版はこちら
レーザ回折/散乱法による粒子径計測の演算精度向上に関する研究
参考文献
[ 1 ] K. S.Shifrin, V. F.Truchin, L. S.Turovtseva, and V. A. Gashko, Atmos. Oceanic. Physics., 8, 739(1972).
[ 2 ] R, Xu,“ Particle characterization: Light scattering methods”, Kluwer academic publishers, Dordrecht (2001).
[ 3 ] Y. Mori: Huntai to Kogyo, 38 B, 35(2006)
[ 4 ] S. Tohno, Earozoru Kenkyu, 12, 281(1997).
[ 5 ] ISO13320: 2009 International Organization of Standardization, Geneva(2009).
[ 6 ] T. Igushi, and H. Yoshida: Rev. Sci. Inst., 82, 015111-1(2011)
[ 7 ] T. Igushi, and H. Yoshida: Adv. Part. Tech., 23, 682(2012)
[ 8 ] T. Igushi, and H. Yoshida: Rev. Sci. Inst., 83, 055103-1(2012)
[ 9 ] H. Yoshida, T. Igushi, T. Yamamoto and H. Masuda: Adv. Part. Tech., 22, 43, (2010)
[10] Proceeding of the 8th international conference on measurement and control of granular materials(MCGM2009), Shenyang, China, 110(2009)
