
GA-370 Trace Gas Monitor
Overview
For monitoring quality control of manufactured high-purity gases at air separation and semiconductor plants
GA-370 provides constant, ultrahigh-sensitivity and high-precision monitoring of trace impurities (CO, CO2 and CH4) for quality control at gas manufacturing facilities.
Features
Ultra-high Sensitive Measurements
- A cross-flow modulation dual-beam non-dispersive infrared (NDIR) analyzer provides continuous and stable zero drift-free measurements.
- Minimum detection limit (MDL) of 10ppb which can support applications where high accuracy measurements are required.
Measurement of trace impurities in a balance gas
- Representative gases such as N2, O2, He, Ar, H2 and Air are supported.
Easy maintenance-free operation
- Operator friendly screen menus simplify analyzer operation, calibration and measurements
- No optical alignment ever required.
- A touch color LCD display allows operators to view graphs of accumulated data.
Typical application
Industrial gases such as oxygen and nitrogen are manufactured by an air separation plant.
First, air that has had moisture (H2O) and carbon dioxide (CO2) is removed and separated to manufacture nitrogen (N2), argon (Ar) and Oxygen(O2). The separation process is based upon differences in boiling points of each of the constituent gases. Similarly, air separation plants manufacture other rare or inert gases such as Hydrogen (H2) and Helium (He).
The HORIBA GA-370 Trace Gas Analyzer is a useful tool for measuring impurities that may be in the separated gas for quality control purposes.
Principle of Measurement
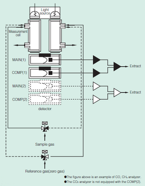
Cross-flow modulation dual-beam non-dispersive infrared analyzer
The GA-370 Trace Gas Analyzer uses an infrared beam in that passes through the cell of the detector. During the measurement, a solenoid valve alternately directs the sample gas and the reference gas to the cells within the analyzer.
The presence of CO, CO2; and/or CH4 in the sample gas generates a difference in the intensity of the light reaching the detector when the cells is filled with sample gas as compared to when the cell is filled with the reference gas. The differences in absorption by detector of the light from the two gases results in deflection of the detector's membrane to oscillate. This measurement technique eliminates any need for an optical chopper or optical adjustments as it eliminates zero drift and enhances sensitivity.
Flow Schematic

Manufactured by HORIBA
Specifications
Model | GA-370 | |
Gases measured | CO, CO2, CH4 | |
Bulk gases | N2, O2, He, Ar, H2, Air | |
Number of measurement components | 1 component or 2 components (specify a measuring balance gas) | |
Measuring principle | Cross-flow modulation non-dispersive infrared (NDIR) absorption method | |
Measurement ranges | 0 to 1/2/5/10 ppm | |
Lowest detection limit (2σ) | 10 ppb | |
Repeatability | ≤ ± 2% of full scale | |
Indication error | ≤ ± 2% of full scale | |
Zero Drift | ≤ ± 0.02 ppm/day, ≤ ± 0.03 ppm/week | |
Span Drift | ≤ ± 2% of full scale/day, ≤ ± 2% of full scale/week | |
Response time (T90) | ≤ 180s | |
Gas flow rate | Sample gas : approx. 3.5L/min, reference gas : approx. 3.5L/min, span gas: approx. 3.5L/min Note: A delivery pressure of 50-100kPa is recommended for both sample and reference gas. | |
Analog output | Max. 2 channels isolated output (2 components) Select one from 0 to 1V, 0 to 10V, 0 to 16mA, 4 to 20mA or 0 to 20mA. Current output : Allowable load resistance 750Ω or less | |
Installation conditions | Ambient temperature | 0 to 40°C |
Ambient relative humidity | ≤85% | |
Dust | Less than environmental standard | |
Vibration | ≤ 0.29m/s², at ≤ 100Hz | |
External dimensions, weight | 430(W) x 221(H) x 555(D) mm (excluding protrusions), approx. 18kg | |
Power supply | 100 to 240V AC, ≤ ± 10% (max. voltage: 250V AC) | |
Power consumption | Approx. 100VA |



